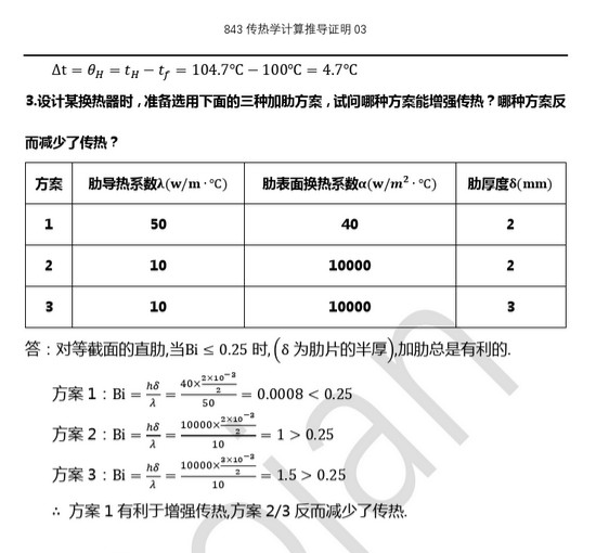
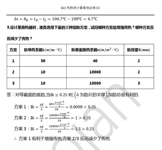
大连理工大学843传热学半岛在线注册历年真题汇总分类——计算推导证明(13)

本站小编 半岛在线注册/2019-12-25


相关话题/大连理工大学 传热学